| アプリの温度制限リスト |
| 材質 | 中温℃ | 材質 | 中温℃ | |||||||||||||||||||||||||||||||||||||||||||||||||||
| PVC-C | -20℃~95℃ | PVC-U | -5℃~45℃ | |||||||||||||||||||||||||||||||||||||||||||||||||||
| FRPP | -20℃~120℃ | PPH | -20℃~110℃ | |||||||||||||||||||||||||||||||||||||||||||||||||||
| PVDF | 40℃~150℃ | |||||||||||||||||||||||||||||||||||||||||||||||||||||
| 製品の構造上の特徴 |
1.軽量:PVC-Uは鋳鉄の1/10の軽さなので、輸送や設置が簡単でコスト削減につながります。
2.優れた耐薬品性:PVC-Uは、飽和点付近の強酸や強アルカリを除き、酸やアルカリに対して優れた耐久性を持っています。
3.耐久性:PVC-Uは耐候性に優れ、バクテリアや細菌類による腐食に耐久性があります。
4. 非導電性: PVC-U は非導電性で、電気分解や電流による通話を受けにくいため、二次加工が不要です。不燃性であり、燃焼をサポートしないため、火災安全上の懸念が解消されます。
5. 低抵抗・高流量:平滑な内壁により流量が控えめに抑えられ、また平滑な管表面に汚れがつきにくいため、メンテナンスが容易で経済的です。
6.簡単な設置と低コスト:切断と接合が簡単です。 PVC接着剤は、安全で信頼性が高く、使いやすく、コスト効率が高いことが証明されています。
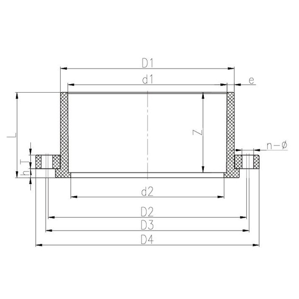
| PVC-U バンストンフランジ |
| DN | D1 | D2 | D3 | D4 | d1 | d2 | L | T | h | Z | n-Φ | |||||||||||||||||||||
| 15 | 27 | 59 | 70 | 95 | 20 | 18 | 22 | 16 | 1.5 | 16 | 4-Φ15X20.5 | |||||||||||||||||||||
| 20 | 32 | 70 | 75 | 105 | 25 | 23 | 25 | 18 | 1.5 | 19 | 4-15X17.5 | |||||||||||||||||||||
| 25 | 40 | 79 | 90 | 125 | 32 | 29 | 28 | 18 | 1.5 | 22 | 4-Φ15X20.5 | |||||||||||||||||||||
| 32 | 50 | 89 | 100 | 140 | 40 | 36 | 31.5 | 20 | 1.5 | 26 | 4-Φ18X24.5 | |||||||||||||||||||||
| 4 | 61 | 98 | 110 | 150 | 50 | 4 | 37 | 20 | 2 | 31 | 4-Φ18X24 | |||||||||||||||||||||
| 50 | 75 | 120 | 125 | 165 | 63 | 58 | 44 | 25 | 2 | 38 | 4-Φ18X20.5 | |||||||||||||||||||||
| 65 | 88 | 140 | 145 | 185 | 75 | 69 | 50 | 25 | 2 | 44 | 4-Φ18X20.5 | |||||||||||||||||||||
| 80 | 105 | 150 | 160 | 200 | 90 | 84 | 57 | 26 | 2.5 | 51 | 8-Φ18X23 | |||||||||||||||||||||
| 100 | 127 | 175 | 190.5 | 229 | 110 | 105 | 67 | 26 | 2.5 | 61 | 8-Φ18X26 | |||||||||||||||||||||
| 125 | 161 | 210 | 250 | 140 | 130 | 84 | 28 | 12.5 | 77 | 8-Φ19 | ||||||||||||||||||||||
| 150 | 182 | 240 | 285 | 160 | 150 | 93 | 31 | 12.5 | 85 | 8-Φ23 | ||||||||||||||||||||||
| 200 | 249 | 295 | 339 | 225 | 215 | 127 | 36 | 16 | 119 | 8-Φ23X25 | ||||||||||||||||||||||
| 200 | 254 | 295.8 | 341 | 225 | 215 | 127 | 33.1 | 16 | 119 | 12-Φ22 | ||||||||||||||||||||||
| 250 | 308 | 350 | 395 | 280 | 267 | 154 | 40.5 | 16.5 | 144 | 12-Φ23 | ||||||||||||||||||||||
| 300 | 346 | 400 | 445 | 315 | 305 | 170 | 43 | 18 | 160 | 12-Φ23 | ||||||||||||||||||||||
| 350 | 395 | 460 | 505 | 355 | 340 | 176 | 43 | 16 | 164.5 | 16-Φ23 | ||||||||||||||||||||||
| 400 | 442 | 515 | 570 | 400 | 382 | 219 | 43 | 22 | 200 | 16-Φ27 | ||||||||||||||||||||||
| 450 | 494 | 565 | 625 | 450 | 430 | 220 | 40 | 27 | 210 | 20-Φ26 | ||||||||||||||||||||||
| 500 | 548 | 620 | 670 | 500 | 475 | 210 | 43 | 25 | 185 | 20-Φ27 | ||||||||||||||||||||||
Detecting Leaks and Cracks in Pipe Fittings To effectively inspect pipe fittings for leaks, cracks, or failures, combine visual inspection, pressure testing, a...
READ MOREEffect of Plastic Chemical Piping on Flow and Pressure In complex chemical distribution networks, Plastic Chemical Piping generally provides smoother flow with...
READ MOREChemical Compatibility Determines the Safety and Lifespan of a Plastic Valve Chemical compatibility is one of the most critical factors when selecting Plastic ...
READ MOREHigh Temperature Resistance — CPVC PIPE FITTINGS are specifically engineered to withstand the high temperatures commonly found in domestic, commercial, and in...
READ MORE